User Manual and Diagram Collection
2000 Cadillac Deville Wiring Diagram - Derslatnaback

2006 cadillac dts radio wiring diagram

26 Honda Foreman 400 Parts Diagram - Wiring Database 2020

2003 honda 400ex wiring harness

2006 Infiniti FX Owners Manual | Owners Manual USA

2007 infiniti fx35 owners manual

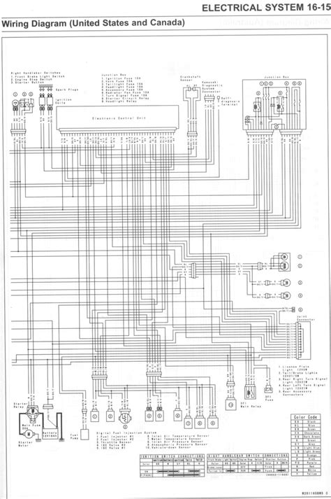
Suzuki GSX-R 1000 2007-2008 Service Manual | Suzuki Motorcycles

2007 sv650 service manual

2008-10 Toyota Avalon Steering Wheel Audio HVAC Controls Grey New

2006 avalon owners manual

Manual YUKON 1995 Gmc PDF Taller y Mantenimiento | AutoManuales.Mx

2003 yukon manual

NISSAN Micra 3 Doors specs & photos - 2003, 2004, 2005 - autoevolution

2005 nissan frontier manual

2001 Chevy Malibu 3 1 Engine Diagram in 2021 | Chevy impala, Impala

2005 chevy impala wiring diagram

2000 Toyotum Sienna Wiring Diagram - Wiring Diagrams

2000 toyota sienna parts diagram

HONDA Car Radio Stereo Audio Wiring Diagram Autoradio connector wire

2000 honda accord radio wiring diagram

2004 Nissan Altima Fuse Box Diagram / Fuse Box Nissan Xterra 2004 :

2000 nissan maxima bose radio wiring diagram

Power Stop Z23 Rear Brake Kit (Manual Parking Brake) | PWR-15-K6271

2006 jeep commander manual

Mitsubishi Mut 3 Software Download - renewium

2007 camry owners manual

2005 pontiac grand am: wiring diagram factory wiring harness is cut

2005 grand am radio wiring harness

29 Yamaha Kodiak 400 Carb Diagram - Wiring Database 2020

2005 yamaha kodiak 450 wiring diagram

Nomad Wiring Diagrams

2005 wiring diagram